код:00036433
Шарнірний
Розмір : 60х90х36
Бренд : CRAFT
Страна регистрации бренда : Литва
В наявності 6 шт
ціна на
31.01.26
| Поточна ціна | 654 грн. /шт |
| Роздрібна ціна | 654 грн. /шт |
задати питання
Замовити зворотній дзвінок
- Характеристики
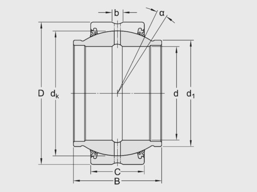
Габаритні розміри і маса
| Внутрішній діаметр підшипника d | 60 | мм |
| Зовнішній діаметр підшипника D | 90 | мм |
| Висота (ширина) внутрішнього кільця підшипника B | 36 | мм |
| Висота (ширина) зовнішнього кільця підшипника C | 54 | мм |
| Кут нахилу a | 3 | град. |
| Діаметр доріжки кочення внутрішнього кільця dk | 80 | мм |
| Діаметр заплічика внутрішнього циліндричного кільця d1 | 68 | мм |
| Ширина кільцевої мастильної канавки на зовнішньому кільці b | 6.2 | мм |
| Вантажопідйомність підшипника динамічна C | 245 | кН |
| Вантажопідйомність підшипника статична Co | 1220 | кН |
| Маса | 1.03 | кг |
Ескіз дає загальне уявлення про продукт без уточнення всіх особливостей конструкції. Маса виробу округляється вгору до 0,001 кг.
- Опис
GEM 60 ES-2RS SKF, GEM 60 ES 2RS, GEEM 60 ES-2RS, GEEM 60 ES 2RS,

+38 (067) 385 71 81 (
+38 (063) 326 03 16 (
+38 (099) 326 03 49 (