Кульковий закріплюваний
Розмір : 19.05х63.8х83
Бренд : CRAFT
Країна виробництва : Литва
Страна регистрации бренда : Литва
Підшипник W247647B
Кульковий закріплюваний
Розмір : 19.05х63.8х83
Бренд : PRC
- Характеристики
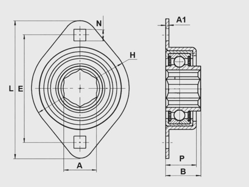
Габаритні розміри і маса
| Розмір посадочного отвору під шестигранний вал A | 19.05 | мм |
| Відстань між центрами кріпиьних отворів E | 63.8 | мм |
| Довжина корпусу L | 83 | мм |
| Ширина корпусу H | 58.5 | мм |
| Висота (ширина) підшипника B | 20.5 | мм |
| Розмір отвору під болт N | 7.2 | мм |
| Товщина фланця A1 | 2 | мм |
| Ширина корпусу P | 18 | мм |
| Маса | 0.175 | кг |
Ескіз дає загальне уявлення про продукт без уточнення всіх особливостей конструкції. Маса виробу округляється вгору до 0,001 кг.
- Опис

+38 (067) 385 71 81 (
+38 (063) 326 03 16 (
+38 (099) 326 03 49 (